

长沙华保防雷技术有限公司
Changsha Hua Bao Lightning Protection Technology Co., Ltd.
作者:CSHBFL 华保防雷 发布时间:2025-03-08 22:51 点击 8362 次
网络二合一防雷器是一种专为高清网络摄像机设计的集成化电涌保护设备,主要用于同时保护设备的电源线路和网络信号线路免受雷电浪涌的损害。
网络二合一防雷器(又称电源网络二合一防雷器)将电源防雷与网络信号防雷功能整合于一体,通过多级串联保护设计,对雷电产生的瞬态过电压和过电流进行快速分流和泄放,确保设备安全。其核心功能包括:
当雷电浪涌侵入时,防雷器通过以下机制保护设备:
通过合理选择与安装,视频网络二合一防雷器可显著提升监控系统的抗雷能力,保障设备长期稳定运行。
CSHBFL-SV2/***网络二合一防雷器(12V、24V、220V模式)是根据IEC防雷要求和监控系统摄像机的具体特点量身打造的专用防雷器,适用于通信场所、楼宇等各种安防场所室内、室外监控系统高速球、中速球、云台摄像机等的电源、视频/音频、云台控制线路的防雷(浪涌)保护。
产品特点:
1,产品采用串联式结构设计,具有多级保护功能。
2,信号部分均采用电子开关接地方式,能有效消除因共地而对传输信号产生的各种干扰。
3,放电电流大,响应速度快,损耗低。
4,节能、环保,残压低,使用寿命长。
5,集成化组合、体积小,接线简易,安装方便,实用性强。
技术参数:
名称 | 型号 | 规格 | 接口类型 | 特性阻抗(Ω) | 额定工作电压Un Vac | 最大持续工作电压Uc | 电压保护水平Up(V) | 传输特性 | 标称放电电流In(kA,8/20μs) | 最大放电电流Imax(kA,8/20μs) | 响应时间tA(ns) | 插入损耗(dB) |
视频二合一防雷器 | CSHBFL-SV2 | 220V、小尺寸 | 接线端子 | — | 220 | 320 | 1100 | — | 5 | 10 | ≤25 | — |
24V、小尺寸 | — | 24 | 30 | 300 | — | 5 | 10 | ≤25 | — | |||
12V、小尺寸 | — | 12 | 15 | 200 | — | 5 | 10 | ≤25 | — | |||
视频 | BNC | 75 | 5V | 6V | 25 | 10MHz | 5 | 10 | ≤1 | ≤0.2 | ||
CSHBFL-SV2 | 220V、小尺寸 | 接线端子 | — | 1.8 | 1.8 | 220 | — | 5 | 10 | ≤25 | — | |
24V、小尺寸 | — | 1.5 | 1.5 | 220 | — | 5 | 10 | ≤25 | — | |||
12V、小尺寸 | — | 1.2 | 1.2 | 220 | — | 5 | 10 | ≤25 | — | |||
视频 | BNC | 75 | 1 | 1 | 10MHz | 5 | 10 | ≤1 | ≤0.2 | |||
网络二合一防雷器 | CSHBFL-SV2 | 电源220V | 接线端子 | — | 220 | 320 | 1100 | — | 5 | 10 | ≤25 | — |
电源24V | — | 24 | 30 | 300 | — | 5 | 10 | ≤25 | — | |||
电源12V | — | 12 | 15 | 200 | — | 5 | 10 | ≤25 | — | |||
百兆网络 | RJ45 | 5V | 6V | 30 | 100Mbps | 2.5 | 5 | ≤1 | ≤0.2 | |||
CSHBFL-SV2 | 220V、导轨式 | 接线端子 | — | 220 | 320 | 1100 | — | 5 | 10 | ≤25 | — | |
24V、导轨式 | — | 24 | 30 | 300 | — | 5 | 10 | ≤25 | — | |||
12V、导轨式 | — | 12 | 15 | 200 | — | 5 | 10 | ≤25 | — | |||
百兆网络 | RJ45 | 5V | 6V | 30 | 100Mbps | 2.5 | 5 | ≤1 | ≤0.2 |
安装说明:
1,本产品为串联连接方式。
2,安装前必须切断电源,严禁带电操作。
3,请选择与被保护设备接口类型相同的产品。
4,防雷器应与被保护设备的工作电压相匹配。
5,防雷器:电源线路的“L/+”为火线/正极,“N/–”为零线/负极。
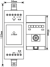
6,安装时请根据安装示意图所示连接,其中IN为输入,OUT为输出,PE为地线,输入端接外线,输出端与被保护设备的输入端相连接,切勿接错。
7,防雷器电源部分带有工作指示,接通电源,工作指示灯亮,则表示电源正常接通和防雷组件正常工作;反之,防雷器不可使用,应及时维修或更换。
8,防雷器的PE线必须与防雷系统的地线可靠连接,连接线要求短、粗、直。
9,防雷器在使用期间,应定期检测,如果出现故障,应及时维修或更换,以确保设备安全。
产品尺寸图: 安装示意图:
1,12~220V、小尺寸 1,12~220V、小尺寸
2,12~220V、导轨式 2,12~220V、导轨式
3,12~220V+RJ45网络 3,12~220V+RJ45网络
4,12~220V+RJ45网络、导轨式 4,12~220V+RJ45网络、导轨式
如果您想了解更多关于华保防雷、防雷箱、防雷器、防雷产品、防雷知识等信息内容,请访问网址:http://www.cshbfl.com
联系我们:0731-89729721 商务支持:QQ
2632026121
转载请注明信息来源:长沙华保防雷技术有限公司
下一篇:CSHBFL-SV3/***视频三合一防雷器(12V...
相关文章